
Seit August 2016 lag bei mir eine Blechdose rum… eine echte „PepeBox“.
Ende Juli hatte mir Jutta (MeReD) in einer Konversation einen Tipp gegeben und mich auf eine Zigaretten-Blechbox bei eBay hingewiesen, auf der „Pepe“ steht. Sie meinte, das könnte ja vielleicht was für mich sein… eventuell könnte ich doch einen Boxmod daraus bauen.
Ich hab mir das Angebot angeschaut und natürlich gleich so eine Dose geordert… mit dem festen Vorsatz, einen Akkuträger daraus zu bauen… passt doch… Pepes „PepeBox“.
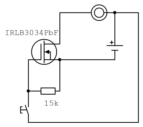
Klar war auch von Anfang an, dass ich nicht anfange, mir einen Taster für hohe Schaltströme zu suchen (mindestens 20 A müsste er nämlich schon dauerhaft packen), sondern einen normalen Taster verwende und mit einer einfachen MOSFET[1]-Schaltung arbeite.
Und es sollte ein Workshop in der Dampfdruck-Presse für AT mit solchen einfachen Schaltungen daraus werden.
Alle paar Monate nahm ich mir dann fest vor, bald zu beginnen… na wie das so ist… IMMER kam etwas dazwischen. Aber JETZT habe ich es geschafft und die PepeBox ist fertig!
Generell ist ja die Schaltung dafür sehr simpel und was man so an Bauteilen (auch den 510er Anschluss und Akkuhalter) benötigt, ist leicht zu bekommen. Trotzdem war es dann doch nicht so einfach und ich habe einige Stunden am Konzept gearbeitet und nochmal so viele Stunden für den eigentlichen Bau.
Das Problem war nämlich die Box! Eine Box anderer Bauart hätte ich sicher – wie viele andere auch – so konzipiert, dass man eine Seite öffnen kann (mit Schrauben oder besser mit Magnetverschluss), aber bei der Zigarettenbox war das nicht möglich. Die hat halt die „klassische Kippenschachtelöffnung“ oben und man konnte da auch nicht einfach eine Seite (oder einen Ausschnitt) auftrennen, weil die Maße gerade mal so dafür reichten, einen 18650er unterzubringen (von der Höhe her). Also musste alles von oben reinpassen, was natürlich beim Akkuhalter für einige Knoten im Gehirn sorgte.
Der typische 18650er-Akkuhalter muss ja seitlich bestückt werden. Dafür reichte aber der Platz in der Box nicht aus und auch die Entnahme eines Akkus wäre kaum möglich gewesen. Also überlegte ich, ob ich ihn diagonal in die Box einbauen könnte. Leider scheiterte das auch daran, dass der Akku in dieser Halterung recht stramm sitzt und es sehr mühsam geworden wäre, diesen beim Akkuwechsel zu entnehmen. Also musste ich, auch wenn mir die Lösung nicht hundertprozentig gefällt, die Akkuhalterung entnehmbar sein, um die Zelle wechseln zu können.
Eine Eigenkonstruktion mit Feder und Pol kam auch nicht in Betracht, weil der Federdruck gegen den Deckel gewirkt hätte… und der ist nur recht leicht „eingeschnackst“.
Also habe ich mich entschlossen, eine Trennwand (ganz einfach aus 6 mm Sperrholz) einzusetzen und die Kabel zum Akkuhalter entsprechend lang zu dimensionieren.
Nicht perfekt, aber zweckmäßig.
Rasch die benötigten Materialien zurechtgelegt und dann mal flott gebaut…
…flott… dass ich nicht lache…
Wenn man eine Box baut, dann wählt man in der Regel einen „Kasten“, der beim Bestücken halbwegs zugänglich ist. Doch bei der Zigarettenbox is‘nix mit zugänglich. Der ganze Mist musste durch die kleine Öffnung oben reingepfriemelt… und die Box immer wieder ganz sanft im gepolsterten Schraubstock eingespannt werden, weil sie doch recht leicht ist und immer mehr Übergewicht bekam.
Die Bohrungen waren noch das geringste Problem. Auch das Festschrauben des Kühlkörpers vom MOSFET ging noch leicht, aber die Löterei… teilweise IN der Box… DURCH die kleine klapprige Öffnung war echt eine Herausforderung. Hatte mich echt gut unter Kontrolle und habe keinen Tobsuchtsanfall bekommen, obwohl ich mehrmals gaaanz nahe dran war… 😉 😀




chließlich habe ich es aber gerade so noch pünktlich vor Spielanpfiff (war ja Samstag und Bundesliga) geschafft und die Box dampft. Sie dampft prima! Der Akkuwechsel ist auch keine Zauberei, nur leider muss man halt den Akkuhalter nach oben rausziehen.
Insgesamt hat es sich gelohnt… trotz der Fuddelei! Die benötigten Bauteile sind leicht zu bekommen (510er z. B. für Pfennige bei Fasttech, der restliche Kram auch für ganz kleines Geld bei Conrad). Die gesamte Box hat mich knappe 14,30 € ein paar Nerven, ca. 5 Stunden Planungs- und Arbeitszeit und zwei kleine Blessuren am linke Zeigefinger gekostet.
Ist echt ne schicke Box, die ich sicher zu besonderen Anlässen nutzen werde, aber nicht für den täglichen Gebrauch… ich möchte die Lackierung nicht verhunzen und Beulen würde ich ihr auch gerne ersparen (ist halt sehr dünnes Blech).
Wer nun Lust bekommen hat, solch eine Box mit einfacher MOSFET-Schaltung zu bauen, der kann sich den Workshop in der Dampfdruck-Presse anschauen. Da erläutere ich auch (ganz einfach) die technischen Hintergründe und erkläre Schritt für Schritt, wie die Box entstanden ist. Die Anleitung ist aufgrund der Bauform zwar recht speziell, kann aber für andere Boxen leicht übernommen und modifiziert werden. Ich werde noch einen weiteren Workshop nachschieben, wo ich die Schaltung in eine Holzbox mit Magnetverschluss einbaue und mit einer zusätzlichen Sicherung versehe. Wird hoffentlich nicht so lange dauern, wie bis zum Bau der PepeBox. 😉 😀
[1]: https://www.elektronik-kompendium.de/sites/bau/0510161.htm







